欢迎来到罗托克(天津)自动化技术有限公司网站!
咨询热线

13920013383

当前位置:首页  >  产品中心  >  罗托克电动执行器  >  QH电动执行机构  >  QH电动执行机构

QH电动执行机构

简要描述:QH电动执行机构是现代科技的结晶,其设计、*进的工艺、忧质的零咅田牛、科学而严谨的 质星检测打造了阀「曲I行器行业的神话,与此同时,它还将阀门控制带入了清度化、数字化、智能化时代,无 可厚非的成为了自动化扌空制行业的后起。

  • 产品型号:
  • 厂商性质:生产厂家
  • 更新时间:2025-08-04
  • 访  问  量: 5331

详细介绍

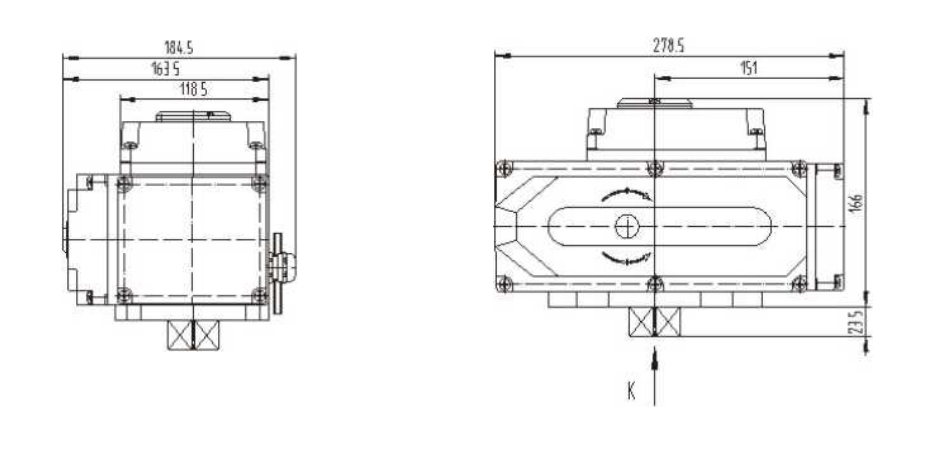
QH外形尺寸图和参数/角度的调整

QH100-QH200?b 型尺寸

 05型、10型、16型的限位凸轮和微动开关的布局图

image.png

image.png

角度的调整

①电器限位的聃整

松开限位凸轮的顶丝,使其轻辕沔从而调整凸轮角度来改变微动开关的击场位置,确定位置后,签固 凸轮的顶丝,调整完毕。

⑴用手柄使执行器转动至全开位置,松开锁签螺母,蹈专顶丝使其与梱戒挡块嵐虫后再反向旋转180 并锁签螺母。

(2陸闭位置的梱戒挡块调整采取以上相同方法。

QH角度的调整

image.png

 25-200型的限位凸轮和微动开关的布局图

image.png

to械限位的聃整

image.png

QH的安装/连接個门/配线

■安装

疫装场所可以是室内、室外、地F

度装注宜鄆页:

⑴本产品属于非防爆产品,故不能安装在有爆炸性气体的室 内i

(2度装在水雰飞鴻的场合时,请加防护罩,以免造成渗水而掲 坏机器i

⑶室内安装还应该预留进线、手动操作所需空间i

㈤室疗吱装请加防护罩,减少阳光直I寸,避免机体内元器件加 速者化

image.png

■连接阀门

① 手动转动阀门,确定阀门正常后将其车詞至全关位置i

② 用螺钉将支架轻轻固定在阀门上i

③ 将联轴器套在阀杆上i

成确定执行器状态为全美位置后将其输出轴插入固定于阀杆的 联轴器中i

⑤用螺丝将执行器固定在支架上因梱戒装置有不可避免的间 障,偶尔出现螺丝孔对不齐情况属于常状况,我们只需要用手动摇 杆稍加转动执行器便可解决此类问题);

虱宁签怫田牛螺丝,完毕安装。

■配线産接

① 建议使用6 6-611电缆线,以确保连线的安全可靠。

•将电缆线通过锁盖和线索,线头按线路图固定在接线S 上,然后锁签线锁盖从而固定电缆。

② 使用电缆管时,要采取防水对策。

•如图所示,阀门执行器安装位置应高于电缆管的位置,确保 水球不会沿电缆流入执行器中。

image.png

接通电源

① 清按产品铭牌或线路图所标示的电压确定输入电压, QH系列产品输入电压如下:

(1) AC220V±10% 50/60HZ

(2) AC380V±10%

(3) AC110V±10% 50/60HZ

(4) DV24V-DC220V

② ■须使用保险丝或短路开关,其容量大小在电动执行器正 常工作电祢22 倍之间比较适合。

image.png image.png image.png

产品咨询

留言框

  • 产品:

  • 您的单位:

  • 您的姓名:

  • 联系电话:

  • 常用邮箱:

  • 省份:

  • 详细地址:

  • 补充说明:

  • 验证码:

    请输入计算结果(填写阿拉伯数字),如:三加四=7